高溫外球面軸承座 UC209/VA208 橋式起重機用耐高溫軸承-江蘇魯岳軸承制造工廠
江蘇魯岳軸承制造有限公司生產的SIAIF耐低溫軸承,除了保持架和密封件以外,用于高溫環境的帶座軸承在設計方面與 標準帶座軸承相同。軸承兩側帶有防塵蓋和擋油環,可防止固體污染物侵入軸承。
對于特定的變型,其軸承和防塵蓋的整個表面都經過磷化錳處理,以提高潤滑劑在金屬上的粘附性,并改善軸承的運行屬性。擋油環經酸洗處理。
這些軸承的徑向內部游隙為 C5 的倍數,軸承即使在迅速冷卻的情況下也不會被卡住。

高溫帶座軸承和球軸承單元的優勢和特點包括:
1.無需補充潤滑:所有變型都使用石墨基高溫潤滑劑對軸承進行了終生潤滑。2.更換簡單:外形尺寸與標準軸承和軸承單元的外形尺寸相同。3.工作溫度可高達 350 °C (660 °F):其內部徑向游隙和使用的潤滑劑均針對高溫操作進行了優化。4.快速輕松的安裝和拆卸:內圈的沉頭(緊定)螺釘使安裝/拆卸變得迅速簡便。5.保護免受固體污染:防塵蓋擋油環(型號后綴 2F)可保護軸承不受污染。6.增強的運行屬性:整個軸承表面都經過磷化錳處理。7.無顏色脫落現象:軸承座涂有耐高溫涂層。

- 2F: 兩側帶 NBR 接觸式密封件和額外的普通擋油環
- VA201: 用于高溫應用的軸承,配有沖壓鋼保持架、經磷化錳處理的圈和滾動體、采用 C5 倍數的徑向游隙且使用聚二醇/石墨混合物進行潤滑
- VA228: 用于高溫應用的軸承,配有冠狀石墨保持架、經磷化錳處理的圈和滾動體,且采用 C5 倍數的徑向游隙

SIAIF高溫外球面軸承 UC209/VA208 詳細參數
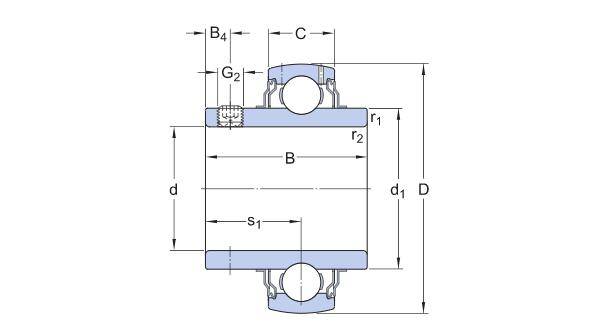
耐高溫軸承選江蘇魯岳軸承制造有限公司,SIAIF耐高溫軸承廠家主要生產耐高溫軸承、不銹鋼軸承、高溫外球面軸承 UC209/VA208 ,SIAIF高溫外球面軸承 UC209/VA208 產品相關信息:型號: UC209/VA208 , 品牌:SIAIF軸承 , 類型:高溫外球面軸承 , 內徑:45mm , 外徑:85mm , 厚度:49.2mm , 想要更多的了解無錫SIAIF高溫外球面軸承 UC209/VA208 的相關產品信息,可以撥打服務熱線 ,我們會為您詳細介紹產品的相關服務。
江蘇魯岳軸承制造有限公司生產的SIAIF高溫外球面軸承 UC209/VA208 使用范圍很廣,主要應用于鋼廠冶金、玻璃、高爐、噴漆設備、礦山機械、輸送機、傳輸裝置、鍋爐風機、真空設備、窯爐窯車、機床設備、工程機械、振動篩、汽車、石油、電力、電機等高溫作業機械。本公司生產的SIAIF高溫外球面軸承 UC209/VA208 產品價格合理,保證質量,滿足客戶的產品工藝需求。


關注公眾號,隨時查軸承